UN 120 系列

  • 型号:CPU 122-1R AC/DC/RLY

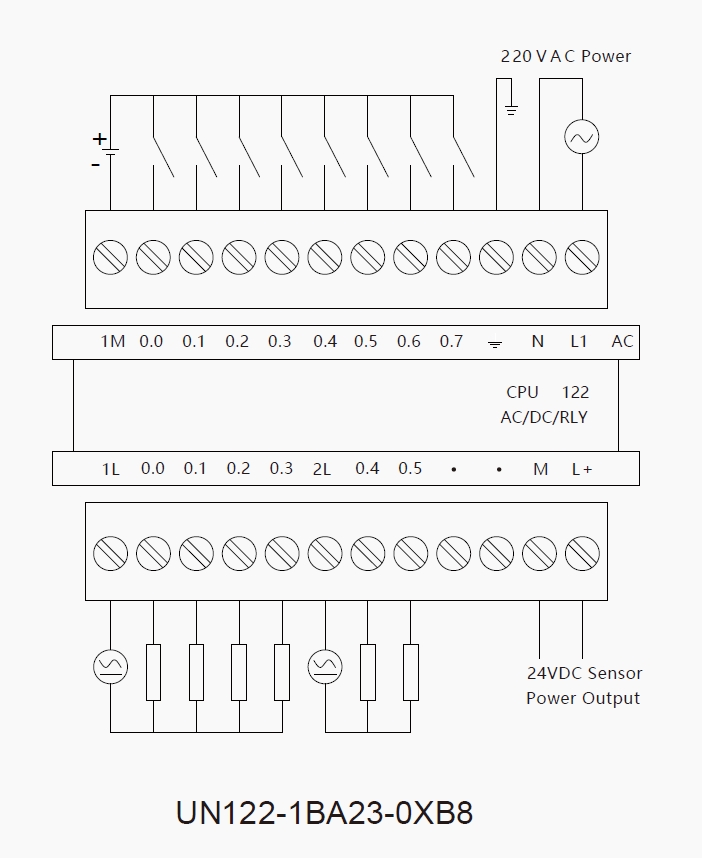
    订货号:UN 122-1BA23-0XB8
  • 产品参数
  • 接线图
  • 资料下载
  • 尺寸图
  • 型号 CPU122 AC/DC/RLY
    订货号 UN 122-1BA23-0XB8
    输入电压 110 ~ 240 VAC
    传感器输出电流 100mA
    常规特性
    程序/数据存储器 6K / 2K
    数字I/O映像区 16(8输入/6输出)
    定时器总数(T) T 256个(4个1ms,16个10ms,236个100ms), 时间中断2个分辨率1ms
    计数器(C)/内存存储器位(M) 256/256
    通信接口 1个RS-485接口(标准的PPI通讯口,支持自由口和modbus通信)
    PPI 通信波特率 9.6,19.2kbps
    允许最大的扩展I/O模块 不支持
    数字量输入特性
    本机集成数字量输入点数 8 路输入   支持PNP/NPN
    额定电压 24VDC,4mA
    隔离 是   光电隔离
    数字量输出特性
    本机集成数字量输出点数 6
    输出类型 继电器
    额定电压 24VDC或250VAC
    每点额定电流(最大) 2A
    环境参数
    工作环境温度 0℃~+60℃
    环境相对湿度 5~90%
    防护等级 IP20
    尺寸(W*H*D) 90 * 80 * 62 mm

  • 名称
    文件描述
    文件格式
    更新时间
    预览/下载
  • UN 系列 PLC选型手册
    UN PLC选型手册V2.7.3
    2024.04.09
  • 金年会自动化UN 122 PLC尺寸图.jpg

    TOP

    业务咨询

    技术咨询

    技术咨询

    4000-300-890